采用管料T2铜管制造,长期工作温度-55℃-150℃,表面镀锡。

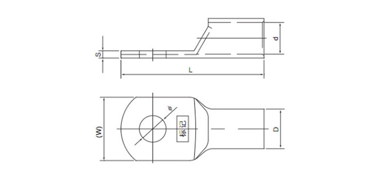
| SC参数 | ||||||
| φ | D | d | L | W | S | |
| 16 | 6.4 | 8.0 | 5.8 | 31.0 | 12.0 | 2.2 |
| 25 | 8.4 | 9.5 | 7.0 | 35.0 | 13.5 | 2.5 |
| 35 | 10.4 | 11.0 | 8.2 | 40.0 | 15.5 | 2.8 |
| 50 | 10.4 | 13.0 | 10.0 | 47.0 | 18.5 | 3.0 |
| 70 | 12.4 | 15.0 | 11.6 | 52.0 | 21.5 | 3.4 |
| 95 | 12.4 | 17.5 | 13.9 | 57.0 | 25.0 | 3.6 |
| 120 | 12.4 | 19.5 | 15.1 | 66.0 | 28.0 | 4.5 |
| 150 | 12.4 | 21.0 | 16.5 | 73.0 | 30.0 | 4.5 |
| 185 | 16.4 | 24.0 | 19.0 | 80.0 | 34.5 | 5.0 |
| 240 | 16.4 | 26.5 | 21.0 | 93.0 | 38.0 | 5.5 |
| 300 | 16.4 | 31.0 | 24.0 | 103.0 | 44.0 | 7.0 |
接线端子适用于配电装置中电线、电力电缆与电气设备的连接




