手机版
二维码
购物车
全部商品分类
首页
商城
公司
资讯
品牌
IP属地 ???
首页
>
轴承/机械
>
电机及减速机
>
其他电机及组件
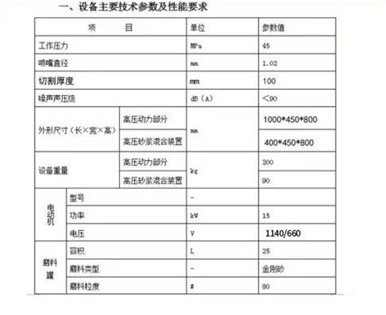
山东宇豪 矿用水切割机,QSM-4.5-15-BF
价格
¥
826830.00
对比
发货
默认地区
付款后24小时内
销量
81+
评价
已有
0
条评价
人气
已有
299
人关注
数量
+
-
库存
1407
套 起订1套
联系方式
加关注
0
上海同豹工业科技集团有限公司
管理员
第1年
资料
通过认证
保证金
未缴纳
默认地区
上次登录 09-26 15:23
•
同豹管理员 (先生)
进入主页
更多商品
商品详情
评价详情(0)
点赞
0
举报
收藏
0
分享
1
正在载入评价详细...
网站首页
|
关于我们
|
联系方式
|
用户协议
|
隐私政策
|
版权声明
|
网站地图
|
网站留言
|
违规举报
(c)2015-2025 上海同豹工业科技集团有限公司 All Rights Reserved |
沪ICP备2023018741号-1