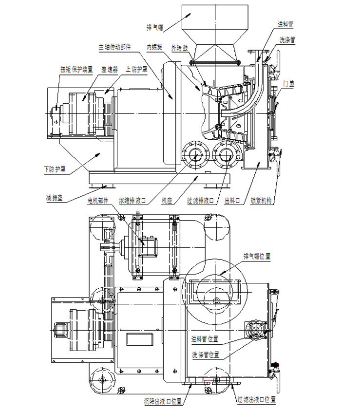
外转鼓
外转鼓是整个离心机关键件的其中之一。其大端与转鼓底联接,转鼓底与外轴联接,差速器与外轴通过带轮相联接,采用了焊接形式。大端为初过滤区,中端有溢流孔,小端为最终过滤区(有孔)保证了离心机的过滤面积,使其能在较短的时间内排出液相。为了提高机器的使用寿命,一般外转鼓采用耐蚀钢或工业纯钛(TA2)制作(除客户要求外)。同时,为确保机器的运转平稳性,外转鼓必须经过严格的动平衡。
螺旋
螺旋也是整个离心机的关键件之一,其主要作用是推动沉渣及过滤排出沉渣。螺旋转筒主要起接受、分布和加速悬浮液的作用。螺旋多端与内轴通过差速器的输出轴相联,通过差速器的输出轴带动,与外转鼓同向旋转,其转速比外转鼓转速略低(60r/min)这就是差速。为了保证运转的平稳性,螺旋也必须作严格的动平衡。
行星差速器
行星差速器是离心机中最复杂的部件。它保证螺旋与外转鼓之间具有一定的相对速度,从而使离心机能顺利排渣,进行正常工作。本机上装有弹簧压紧式扭矩保护装置,当过载时,六角扭矩保护轮转动撑开弹簧压板,导向滑块下滑,弹簧压板自锁定位(减少扭矩保护轮的转动磨损),接近开关发出信号,电机停机,从而避免了因过载而引起的损坏,提高设备的使用安全性和寿命。该扭矩保护装置可通过调整弹簧的压紧力来设定扭矩。
机座部件
机座是支承其它部件的基础。机体与机座表面整机油漆处理。本离心机采用的是型钢焊接式机座。上部装有轴承箱,两主轴承安装于轴承箱内。中间安装有8只橡胶减振器,该减振器的设计排布已经经过动态仿真模拟优化计算,确保做到机器对地面的振动冲击最小化。下部与基础固定。另外上部还安装有电机部件,其主要作用是提供离心机的动力源。它主要由电动机,电机带轮,电机导轨,调节螺栓等组成。
机壳
机壳的主要作用是维护操作工人的安全及使分离物得以分别排出离心机外。
润滑
本机型的润滑,主轴承采用油脂润滑,通过轴承箱体上的两个加油咀,给主轴承定时加油脂,差速器的润滑为内置润滑油自润滑,定时给差速器换油。
进料管
进料管是料液流动的通道,整个进料管呈圆弧过滤,没有死角。
电气与控制部分
a 离心机采用变频器控制的方式进行驱动。
b 制动方式采用变频器能耗制动。
c 主电机为4极(防爆)B3机座30kw,380V;
d 电机接地可靠,确保用电安全。

油漆、运输、贮存、环境要求
除另有规定外,本离心机基座表面均喷砂处理达SA21/2级并涂防腐性较强的氯磺化聚乙烯防护涂料,最终面漆颜色由需方另行规定。
设备可以拆卸的部件以及备品备件分别单独用木箱包装,装箱前标识明确,码放整齐。木箱标明放置方向。备件箱注明备件。
设备采用汽车运输,供方在合同规定的供货期内将货物发运到需方指定的地点。
工作环境:室温,空气相对湿度不大于85%。
运输:离心机在装运过程中,不得翻滚、倒置,不得叠装,防水防潮。
搬运:离心机在搬运过程中必须按离心机重心位置确定铲运施力点,铲运时尽量保持离心机水平,不得翻滚和倒置。铲运部位为机座底平面。
贮存:离心机长时间不工作时应放置于空气相对湿度不大于85%,没有腐蚀性介质的场所。
离心机在安装、使用前须有专人保管,以确保离心机的完好。在运行前应由制造厂对离心机的技术状态和安装情况进行确认。