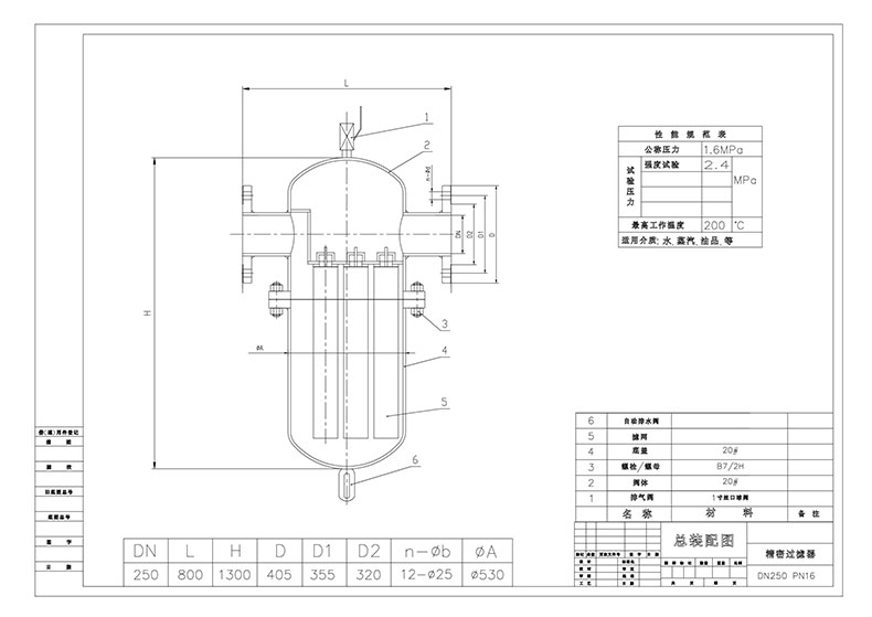
日高 碳钢精密过滤器,FPQ-16C,DN250

价格 36569.81对比
发货 默认地区付款后24小时内
销量 23+
评价 已有 0 条评价
人气 已有 297 人关注
数量
+-
库存8402台   起订1台
 
联系方式
加关注0

上海同豹工业科技集团有限公司

管理员第1年
资料通过认证
保证金未缴纳
  • 默认地区
  • 上次登录 09-26 15:23
  • 同豹管理员 (先生)  
过滤器是利用物理阻隔技术来分离介质中其他成分的一种设备。空气过滤器是用来过滤空气中固体微粒、水滴及油雾等气溶胶类杂质,使空气获得清净的主要设备。
  • 常见故障排除

过滤器在使用过程中若出现故障,请按下表找出原因,然后在对症处理。 

故障现象

原     因

故障现象

原     因

1. 工作压力低于额定值

1.过滤器端盖关闭不严或滤壳漏气

2. 过滤器安装次序颠倒

2. 进、出气阀门未全开

3.上游管道未清洁,滤芯污染

3. O型密封圈漏气

4. 处理流量超过额定值

4. 进气压力过低

5. 过滤器内部气流短路

1. 滤芯衰老或堵塞

6. 过滤器进出口接反

2. 进气杂质负载大

7. 空气中含有害物质

3. 排水失灵,滤壳积水

8. 修理旁路阀未关紧

4. 处理流量超过额定值

9. 进气气源未经必要预处理

5. 过滤器进、出口接反

  • 附:自动排水器

    工作原理

    图1为常用AD—402型自动排水器。其动作原理是:当水杯内无气压时,浮子靠自重落下,压块关闭上节流孔,活塞靠弹簧力压下,活塞杆与O形圈脱开,凝结水通过排水口排出。

当水杯内压力大于最低动作压力(0.2MPa)时,活塞受气压力作用,克服弹簧力及摩擦阻力上移,排水口被封闭。

当水杯内水位升高到一定位置,浮子浮力使压块与上节流孔脱离,气压力进入活塞上腔,活塞下移,排水口被打开排水。

水位下落至一定位置,上节流孔又被关闭。活塞上腔气压通过下节流孔排泄,活塞上移,排水孔再次被关闭,这时水已基本排完。1111.jpg图1  AD402浮子自动排水器工作原理图

1—主体  2—O形圈  3—纱网  4—压块  5—上节流孔  6—浮子  7—水杯
8—过滤片  9—排水口  10—O形圈  11—排水管  12—下节流孔  13—活塞
14—活塞密封圈  15—弹簧  16——控制杆

浮子式自动排水器的特点是没有电气传动和控制部分,使用方便,连接简单,十分适宜用于空气管路设备和过滤器的排水。


2.jpg

1.jpg

精密过滤器的性能与安装

  • 性 能:

型      号

性          能

应 用 范 围

FC级

离心式油水分离器

完全过滤3μ或更大的固态离子

上游气体水份负载允许达25000PPM

去除99%水份,40%油雾

后部冷却器的分离器,冷冻式干燥机的分离器,主管路的前置过滤器

FT级

主管路过滤器

完全过滤1μ或更大的固态离子

上游气体水份负载允许达2000PPM

去除100%水份,70%油雾

气动工具,气动马达

保护自动控制系统

空气系统的主管路过滤器

FA级

微油雾过滤器

微玻璃纤维经特殊设计的密度、直径及表面处理,可过滤0.01μ的固态粒子。

外部海绵层吸收并排出油雾

去除99.999+%油雾

有油空压机配置FC、FT、FA级过滤器代替无油空压机且更加便宜,维修方便

代替氮气,用于喷漆、电子等行业

FH级

除油除臭活性碳

过滤器

精密的活性碳过滤95%油雾及碳氢化合物残留的0.01PPM油气不含任何臭味

食品及药物制造业的输送、搅拌、酿造、发酵用气

呼吸及潜水保护作业用气

去除工作环境的臭味

  • 安 装:

图1、图2所示在一个完整的压缩空气净化系统中,各级过滤器的安装次序。图3为单支过滤器的标准配置。111.jpg1-空压机   2-后部冷却器   3-贮气罐   4-FC级离心式油水分离器
5-冷冻式干燥机   6-FT级主管路过滤器      
7-FA级微油雾过滤器   8-FH级除臭活性炭过滤器
图1  过滤器与冷干机的标准安装次序1.jpg1-空压机   2-后部冷却器   3-贮气罐   4-FC级离心式油水分离器
5-FA级微油雾过滤器   6-吸干机      
7-FT级主管路过滤器   8-FH级除臭活性炭过滤器
图2  过滤器与吸干机的标准安装次序11.jpg图3   过滤器标准配置图

  • 注意事项

1、过滤器以“先粗后精”原则组合配置,顺序不能颠倒。

2、实际通过过滤器的压缩空气流量、压力及温度不能超过铭牌规定值。

3、安装时须注意分清过滤器的进、出口位置。

4、过滤器安装应对地垂直。留有一定的离地高度,便于调换滤芯。

5、下列情况之一出现时,应当更换滤芯:

      a. 过滤效果明显恶化; 

b. 压差表示值超过0.07MPa;(注:滤芯初始压降<0.015Mpa)

c. 使用时限:FC、FT、FA为8000h,FH为2000h。

6、不带自动排水器的过滤器,应定时打开球阀排除滤壳积水。通常每班不少于1—2次。

7、过滤器进气温度不超过66℃。

8、若工作压力低于标准值(0.7MPa)时,过滤器的实际处理能力应按下表进行修正:

人口压力MPa

0.15

0.35

0.5

0.7

0.9

1.05

系  数

0.25

0.5

0.75

1.0

1.24

1.43

维护保养
自动排水器是一个易损零部件,使用不当或长久使用后会出现“长放不关”或“长关不放”两个极端相反的故障。请注意定时对排水器进行保养并按图2装拆顺序对其不锈钢滤网进行清洗,清水和皂液皆可。
举报收藏 0