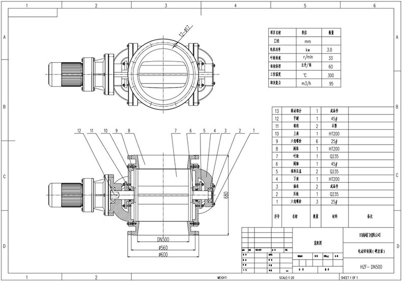
| 电动回转阀又被称为卸料器,旋转给料器,锁气阀.星型卸料阀的结构是由带有数片叶片的转子叶轮,壳体,密封件及减速器,电动机等组成. 当上部料仓的物料靠自重落下充填在叶片之间的空隙中,随叶片的旋转而上部卸出,因此,星型卸料器可以定量而连续地卸料。 |
| 工作原理: 一、电动回转阀称星型卸灰阀、旋转给料机、锁气阀,通常卸料阀的结构是由带有数片叶片的转子叶轮、壳体、密封件及减速器、电动机等组成。 二、当上部料仓的物料靠自重落下充填在叶片之间的空隙中,随叶片的旋转而在下部卸出,因此,卸料器可以定量而连续地卸料。 三、星型卸料阀常用在散料、颗粒及其粉状物料输送中,对于压力输出系统或负压输出系统,卸料阀可以均匀、连续地向输料管供料,以保证输出管内的物料比较稳定,从而使散状物料输送能正常工作,同时,又能将卸料阀的上、下部气压隔断而起到锁气作用。因此,卸料阀又是气力输送系统中常用的重要部件。 四、星型卸料阀的上、下法兰口基本是方形或圆形,也可以由用户选定。 五、耐磨损封闭型转子叶轮该型卸料器特点是转子叶片的端部衬聚氟乙烯密封条或耐磨丁腈密封条能保证叶片端部与壳内壁有良好接触,并且磨损后可方便地调节叶片端部,使其仍然与壳体内部保持良好接触,具有更好的密封性能。 |







