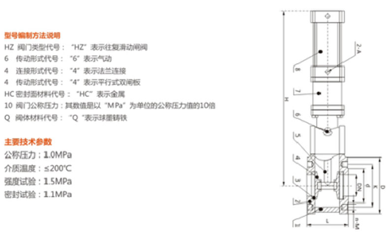
固特 金属密封双闸阀,HZ644HC-10Q-150

价格 22090.00对比
发货 默认地区付款后24小时内
销量 51+
评价 已有 0 条评价
人气 已有 440 人关注
数量
+-
库存2231台   起订1台
 
联系方式
加关注0

上海同豹工业科技集团有限公司

管理员第1年
资料通过认证
保证金未缴纳
  • 默认地区
  • 上次登录 09-26 15:23
  • 同豹管理员 (先生)  

该阀一面阀板采用独创的开孔设计、启动负荷小、阀腔无卡塞现象,另一面阀板采用硬质合金单面密封,耐性强、密封性好、使用寿命长。

企业微信截图_16413659627201.jpg

企业微信截图_16413658937203.jpg

当气源从上进气口通入时,气缸杆带动阀板向下运动,阀门关闭,当气源从下进气口通入时,气红杆带动阀板向上运动,阅门开启。阀板与密封环之间加载弹簧,弹簧力始终使阀板压向密封环,又容许阀板在垂直上下方向移动,这有助于补信阀门零件的热冷令缩,并能克服任何背压变化对密封的影响与防治颗粒介质进入两密封面之间,在启闭过程中,阀板能产生自转,使得密封面之间产生研磨、抛光作用,而且由于阀体对通道偏心,在开启排物料时。会产生涡流,形成的物料旋涡会自行清扫阀门内腔。所有的这些特点,使得阀门具有超常的使用寿命,为您的系统安全运行提供了可靠的保证。

企业微信截图_1641365846751.jpg

举报收藏 0