● 额定扭矩20 Nm
● 运行电压AC 24 V ~ / DC 24…48 V ⎓ or AC 100…240 V ~
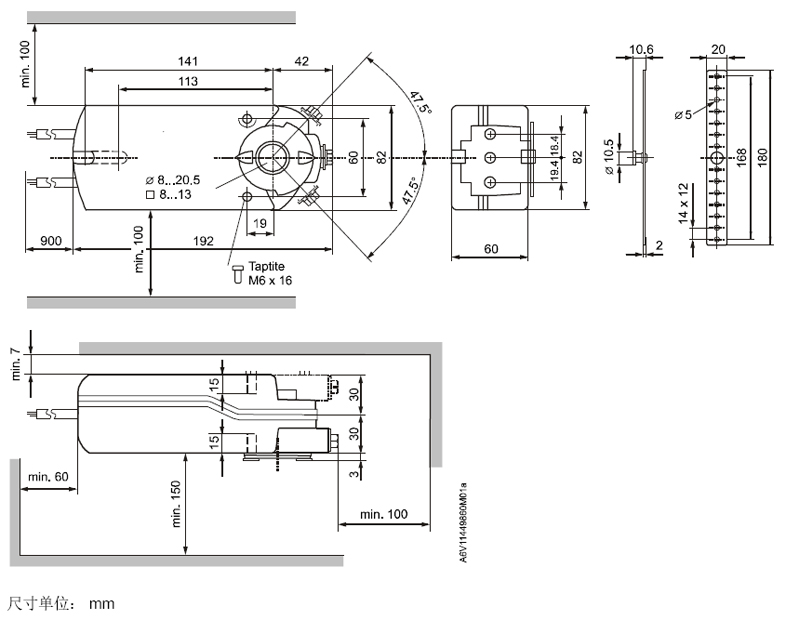
● 机械调整范围0…90°
● 预置标准0.9 m 电缆
● 带有可调偏移设置和宽度定位信号的特殊型号系列
● 位置指示: 机械和电信号
● 反馈电位计
● 旋转角度范围自适应和可调的辅助开关附加功能












旋转行程风阀执行器用于通风和空调系统中调节和关断风阀
适配风阀面积约4 m2 (指导原则: 需遵照风阀制造厂的说明)
适用2-位和 3-位及模拟量(DC 0/2…10 V) 控制风阀
3-位控制时,我们推荐最小脉冲长度为500 ms 以确保连续和运行精度




