
系统变小,但性能更高。这是紧凑型气缸 ADN-S 的特点。它们非常小巧轻便,并且极小的运动即可提供出色的性能。这一切都要归
功于一体式紧凑型壳体。
安装空间小
重量非常轻
小型运动的理想选择
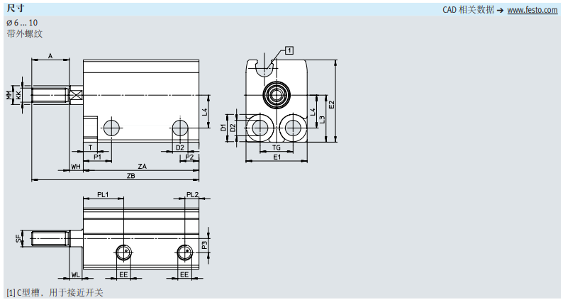
带内螺纹或外螺纹的活塞杆
用于位置检测
铜和锌含量低于 1% 的派生型 - 推荐用于制造锂离子电池的生产设施












|

系统变小,但性能更高。这是紧凑型气缸 ADN-S 的特点。它们非常小巧轻便,并且极小的运动即可提供出色的性能。这一切都要归
功于一体式紧凑型壳体。
安装空间小
重量非常轻
小型运动的理想选择
带内螺纹或外螺纹的活塞杆
用于位置检测
铜和锌含量低于 1% 的派生型 - 推荐用于制造锂离子电池的生产设施











