SMC 摆动气缸,叶片式,CDRB2BWU40-90SZ

价格 1429.00对比
发货 默认地区付款后24小时内
销量 50+
评价 已有 0 条评价
人气 已有 135 人关注
数量
+-
库存4097个   起订1个
 
联系方式
加关注0

上海同豹工业科技集团有限公司

管理员第1年
资料通过认证
保证金未缴纳
  • 默认地区
  • 上次登录 09-26 15:23
  • 同豹管理员 (先生)  
1498716993146148.jpg


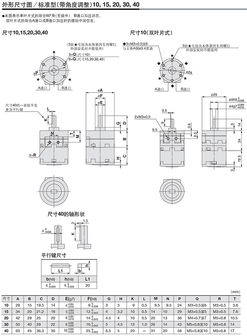
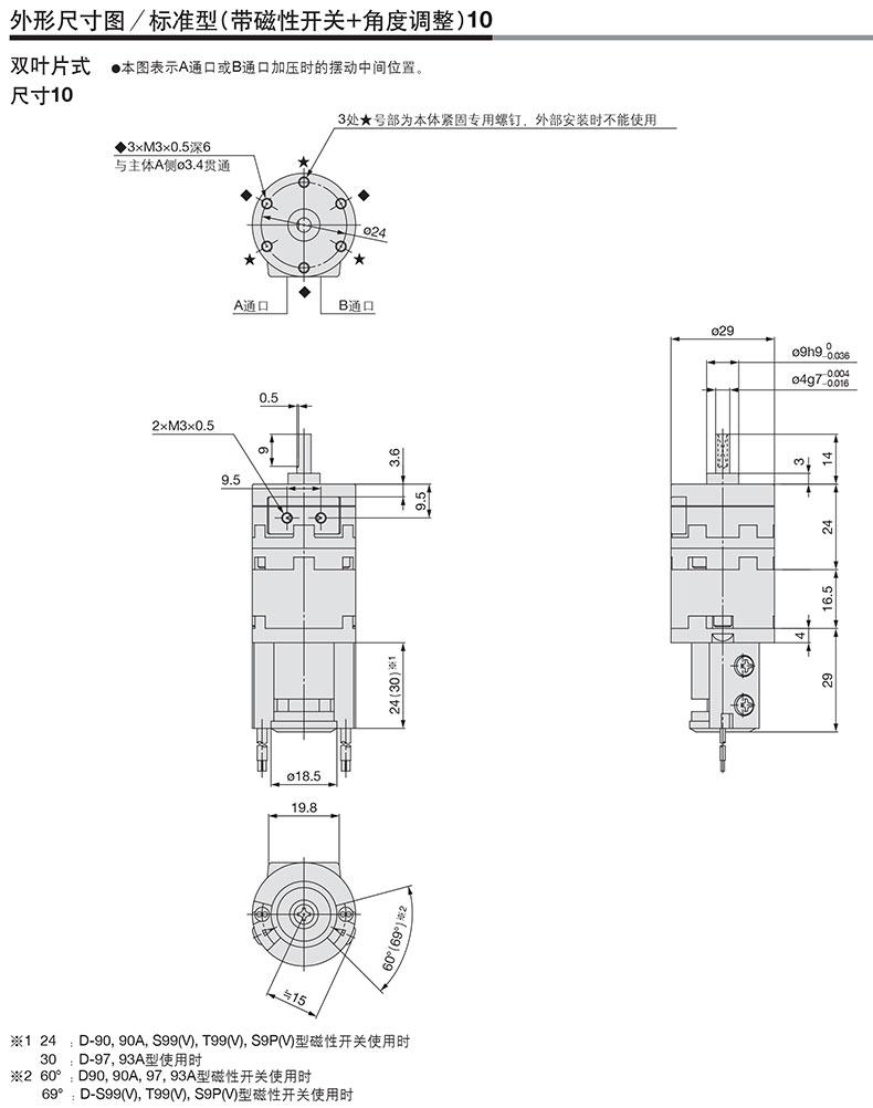
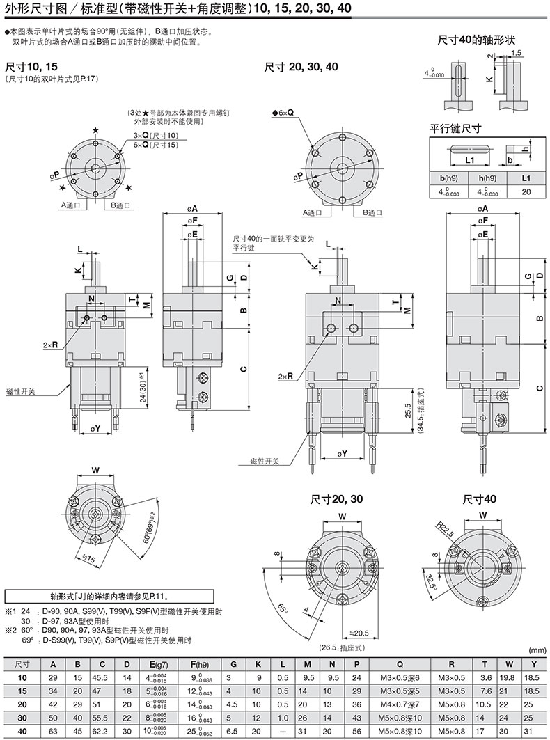
  1. 磁性开关安装位置可以移动到任意位置;

  2. 可直接安装;

  3. 配管方向有缸体侧面和轴向两种。(带有磁性开关和角度调整的配管方向只能选择缸体侧面);

  4. 最低使用压力:0.2MPa(缸径10)0.15MPa(缸径15~40);

  5. 带角度调整的可以调整到任意角度;

  6. 附带磁性开关(CDRB2系列):CDRB2-W、CDRB2-WU)。


选型5.jpg

细节5.jpg

尺寸5-1.jpg尺寸5-2.jpg尺寸5-3.jpg

注意5.jpg

举报收藏 0