|
| 字段描述 | 字段取值 | 取值描述 |
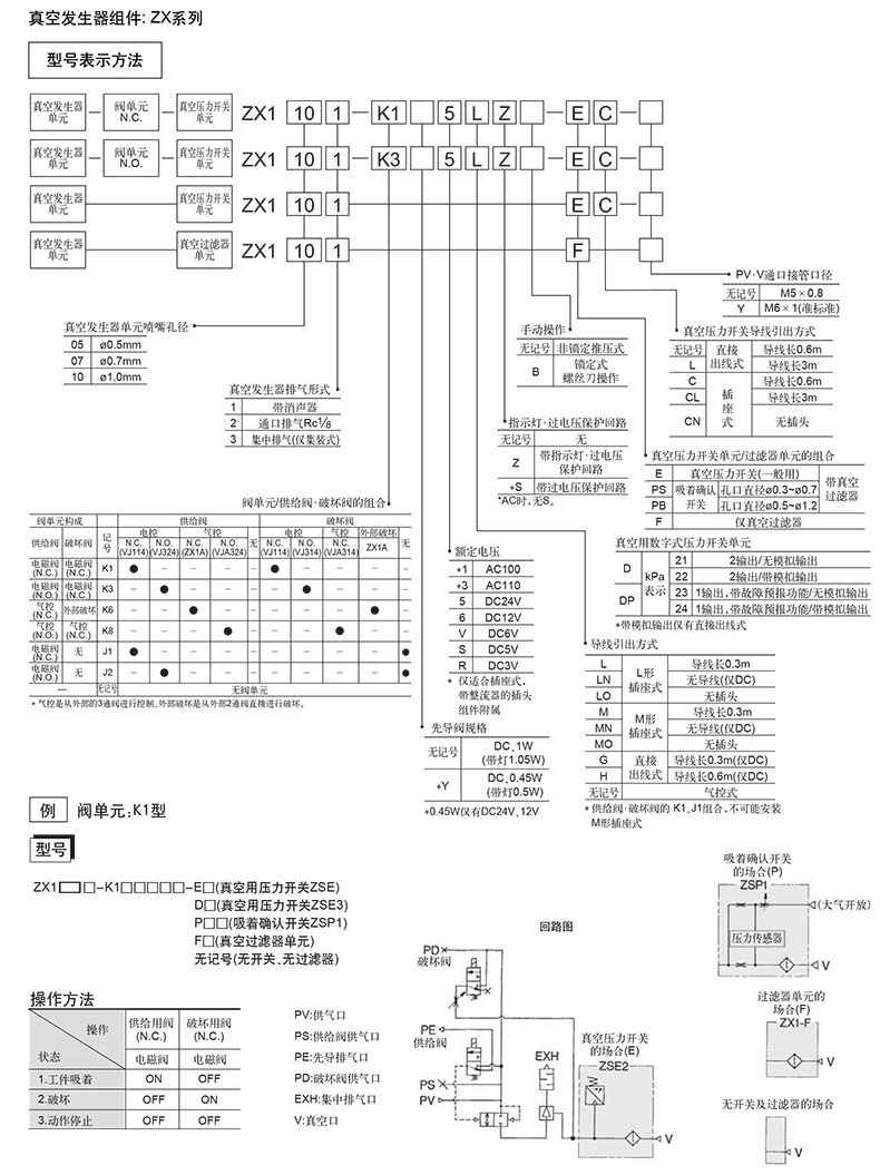
| 真空发生器单元喷嘴口径 | 10 | 1.0mm |
| 真空发生器排气形式 | 1 | 带消声器 |
| 供给阀·破坏阀组合 | K3 | 供给阀:电磁阀 N.O.(VJ324);破坏阀:电磁阀 N.C.(VJ314) |
| 先导阀规格 | - | DC:1W型(带灯:1.05W);AC型 |
| 电磁阀额定电压 | 5 | DC24V |
| 导线引出方式 | L | L型插座式 引线长度0.3m |
| 指示灯·过电压保护回路 | Z | 带指示灯及过电压保护回路 |
| 手动操作 | - | 非锁定推压式 |
| 真空开关单元/过滤器单元的场合 | E55 | 真空用压力开关(一般用)(ZSE2)(PNP规格),带真空过滤器 |
| 真空用数字式压力开关单元的场合(ZSE3) | - | 无 |
| 真空开关导线引出方式 | C | 插座式 引线长度0.6m |
| PV·V通口接管口径 | - | M5X0.8 |
| 破坏流量调节针阀/托架A | L | 带锁母,带托架A |
| 订制规格 | - | 标准 |
| CE对应 | Q | CE对应品 |






