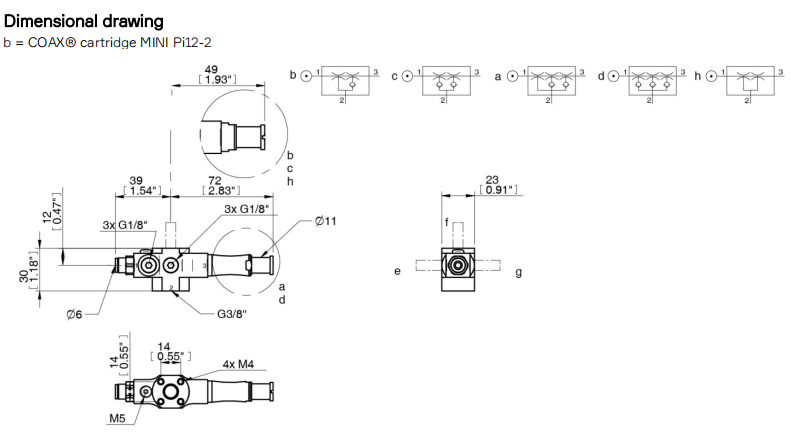
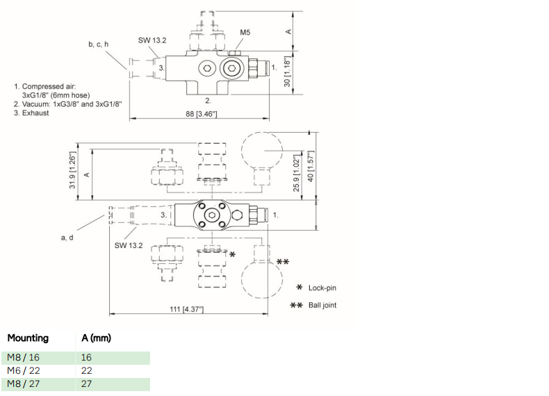
Patented COAX® technology VGS™ allows easy installation and flexible positioning with several mounting options. VGS™ is compatible with any suction cup with G3/8" male fitting from Piab’s assortment. More information about a chosen suction cup or other available suction cups for a specific application can be found at; www.piab.com Pi cartridge chosen for high performance at low feed pressure. |








