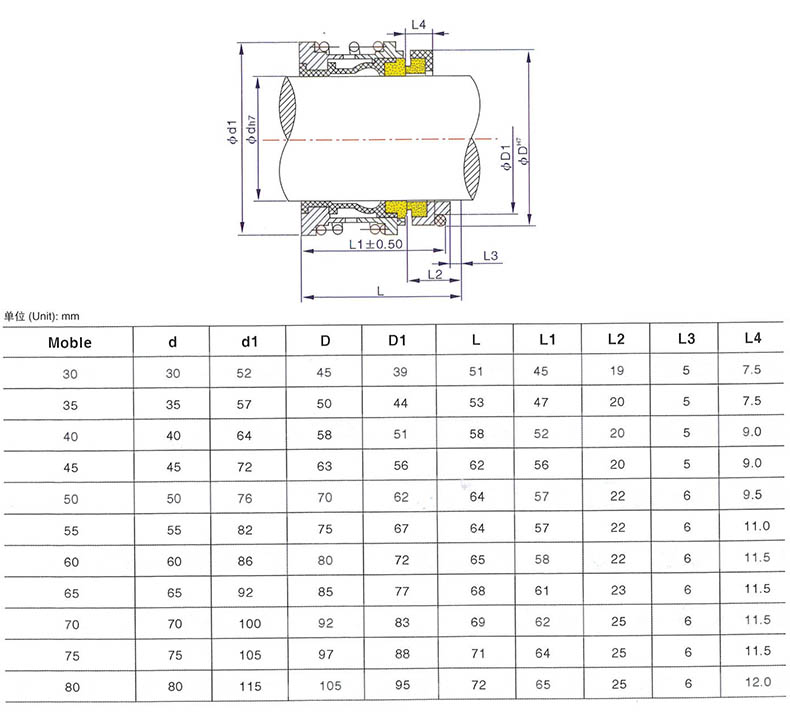
126系列机械密封属内装、内流、单端面、单弹簧、非平衡型结构。
利用挡川将弹簧、波纹密封圈、动环、传动套、组合在动环座内,使各另部件组成一个整体,便利安装,使用更加方便。
本系列利用波纹密封圈,解决了泵轴在介质中长期使用后,因泵轴锈蚀使0型圈无法在泵轴上自由移动,导致密封端面因磨损而无法得到补偿而产生泄漏。
本系列密封利用波纹密封圈,解决水泵泵轴的窜动而造成密封面脱开,致使密封失败。
该系列密封件在它的范围使用,能大大地提高水泵使用寿命
密封腔压力:0-1.2MРа
密封腔温度:-20℃~150℃
线速度:≤3000r/min
介质:水、污水、油类及其它弱腐蚀性液体






