ISO 4029 钢 45H 镀锌 |


螺纹类型 x 标称直径 (d1) | M5 |
总长度 (l1) | 6 毫米 |
环状割刀直径 (d2) | 2,5 毫米 |
螺钉内部驱动器 (s1) | IH2.5 |
标准 | ISO 4029 |
材料 | 钢材 |
表面 | 镀锌 |
硬度分类 | 45H |
驱动类型 | 内六角 |
马克笔笔尖形状 | 半圆头 |
符合 ROHS 标准 | 是 |
|
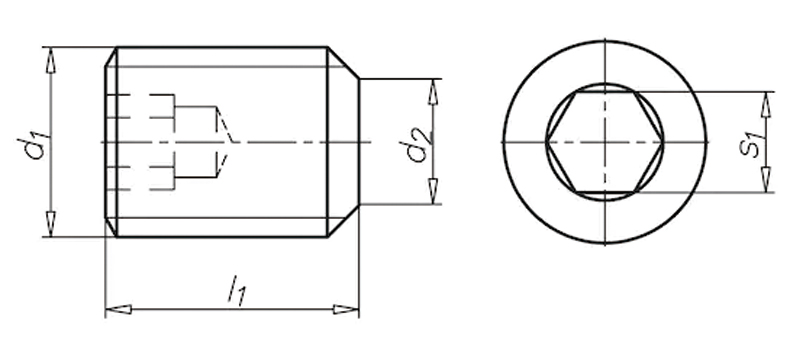
ISO 4029 钢 45H 镀锌 |


螺纹类型 x 标称直径 (d1) | M5 |
总长度 (l1) | 6 毫米 |
环状割刀直径 (d2) | 2,5 毫米 |
螺钉内部驱动器 (s1) | IH2.5 |
标准 | ISO 4029 |
材料 | 钢材 |
表面 | 镀锌 |
硬度分类 | 45H |
驱动类型 | 内六角 |
马克笔笔尖形状 | 半圆头 |
符合 ROHS 标准 | 是 |