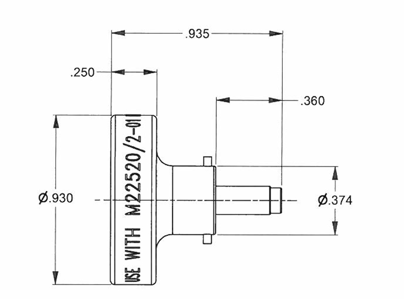
符合MIL-DTL-22520/2*和AS22520/2*
该定位器与M22520/2-01、AFM8刀架一起使用,并使刀架适应特定应用
每个定位器上的数据板指定与定位器接触的触点,以适应其导线尺寸并指示选择器位置
也可与这些DMC压接工具一起使用:
WA22气动压接工具架
AFME8B蓄电池压接工具架



|
符合MIL-DTL-22520/2*和AS22520/2*
该定位器与M22520/2-01、AFM8刀架一起使用,并使刀架适应特定应用
每个定位器上的数据板指定与定位器接触的触点,以适应其导线尺寸并指示选择器位置
也可与这些DMC压接工具一起使用:
WA22气动压接工具架
AFME8B蓄电池压接工具架


