日本大阳 JISB2804,不锈钢 C型挡圈 轴用,80.0,SUS304-CSP,光身,HRC37-46,JP802080,5个/包

价格 432.79对比
发货 默认地区付款后24小时内
销量 98+
评价 已有 0 条评价
人气 已有 150 人关注
数量
+-
库存8648袋   起订1袋
 
联系方式
加关注0

上海同豹工业科技集团有限公司

管理员第1年
资料通过认证
保证金未缴纳
  • 默认地区
  • 上次登录 09-26 15:23
  • 同豹管理员 (先生)  
  • 材质:SUS304

  • 表面处理:洗白

  • 硬度:HRC37-46

1.jpg

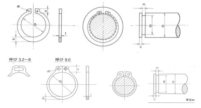
单位mm
尺寸编码公称d1止 动 挡 圈
重量(参考)
KN
适用规格(参考)
d3tb
a
d0
最小
d2mn
基准寸法公差基准寸法公差基准寸法公差基准寸法公差最 小
JP80200323.22.8±0.10.25±0.030.51.2椭 圆3923±0.040.3﹢0.11
JP80200443.60.71.44713.8±0.06
JP80200484.84.20.4±0.041.11.47854.50.451.5
JP80200554.51.48634.7
JP80200665.50.7210985.7
JP80200776.30.650.8222756.50.7
JP80200887.10.92.225897.4
JP80200998.112.2129038.4
JP802010109.3±0.151±0.051.631.24.819.60
-0.09
1.15﹢0.14
0
1.5
JP8020111110.21.83.15.2710.50
-0.11
JP8020121211.1±0.183.21.55.6911.5
JP80201313123.36.4112.4
JP8020141412.923.41.76.8613.4
JP8020151513.82.13.57.4114.3
JP8020161614.72.23.68.2415.2
JP8020171715.73.78.3916.2
JP8020181816.51.2±0.062.63.810.71171.35
JP8020191917.52.73.8211.2218
JP8020202018.5±0.23.911.61190
-0.21
JP8020212119.5412.1620
JP8020222220.54.112.9421
JP8020242422.23.14.213.8922.9
JP8020252523.24.314.5123.9
JP8020262624.24.414.9824.9
JP8020282825.91.54.620.426.61.65
JP8020292926.93.54.721.1427.6
JP8020303027.94.821.9328.6
JP8020323229.652.523.1430.30
-0.25
JP8020343431.5±0.2545.324.6332.3
JP8020353532.25.425.533
JP8020363633.21.75±0.075.431.38341.92
JP8020383835.24.55.632.1736
JP8020404037±0.45.833.7338
JP8020424238.56.236.4839.5
JP8020454541.54.86.337.7842.5
JP8020484844.56.540.845.5
JP8020505045.8256.748.05472.2
JP8020525247.86.850.2149
JP8020555550.8±0.45753.35520
-0.3
JP8020565651.8754.5253
JP8020585853.85.57.156.0955
JP8020606055.87.257.6657
JP8020626257.87.260.4159
JP8020636358.87.361.1960
JP8020656560.8±0.452.5±0.086.47.42.579.24620
-0.3
2.7﹢0.14
0
2.5
JP8020686863.57.881.265
JP8020707065.57.883.9467
JP8020727267.577.987.0869
JP8020757570.57.990.2272
JP8020787873.57.48.194.1475
JP8020808074.58.296.576.5
JP8020828276.58.3398.8578.5
JP8020858579.53±0.0988.4122.3981.50
-0.35
3.2﹢0.18
0
3
JP8020909084.5±0.558.7130.2386.5
JP8020959589.58.69.1138.8691.5

1.jpg

1、正确选择产品

1)在使用之前先确认产品的机械性能是否满足客户使用要求(如螺栓的抗拉强度和螺帽的安全负荷)。

2)螺栓的长度选择应恰当,以旋紧后露出螺帽1-2个牙距为准。

3)使用前产品螺纹应保持清洁。

2、如何正确使用紧固件

1)拧紧时应注意扳手施力方向要与螺杆轴线重合,切勿倾斜。

2)在旋紧过程中用力不可超过安全扭力且要均匀,尽量选用扭力扳手或者套筒配合使用。

3)上锁速度过快会导致锁死,建议不要使用电动或气动扳手。

4)保持螺纹清洁,为确保螺丝和螺帽配合顺畅,建议把产品装在干净的容器内取用,勿随意放置。

3、维护保养标准

1)拆卸下的螺丝、螺帽有轻微损伤的,应用板牙、丝锥修复。

2)拆下的和修复的螺丝、螺帽应以油泡或上润滑油的方式进行保养,并按规格、型号用途分类摆放整齐。

4、报废标准

有明显裂纹、断扣、滑死、乱扣、螺杆拉伸变形、剪切痕迹等其他一切经现场领导认定不能修复的螺栓方可报废处理。

举报收藏 0