手机版
二维码
购物车
全部商品分类
首页
商城
公司
资讯
品牌
IP属地 ???
首页
>
紧固/密封
>
非六角头螺栓
>
吊环螺栓
伍尔特WURTH,02959012,吊环螺栓-DIN580-C15E-FORGED-M12,25个/包
价格
¥
621.50
对比
发货
默认地区
付款后24小时内
销量
79+
评价
已有
0
条评价
人气
已有
436
人关注
数量
+
-
库存
253
包 起订1包
联系方式
加关注
0
上海同豹工业科技集团有限公司
管理员
第1年
资料
通过认证
保证金
未缴纳
默认地区
上次登录 09-26 15:23
•
同豹管理员 (先生)
进入主页
更多商品
商品详情
评价详情(0)
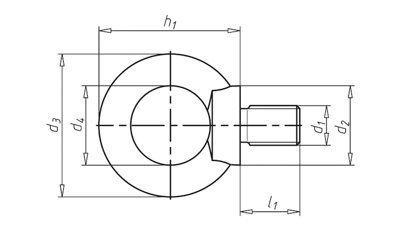
DIN 580 钢,C15E,本色
请在使用前记下安装说明中的信息!
环头螺钉 M6 不属于 DIN 580 规定的范畴!
点赞
0
举报
收藏
0
分享
0
正在载入评价详细...
网站首页
|
关于我们
|
联系方式
|
用户协议
|
隐私政策
|
版权声明
|
网站地图
|
网站留言
|
违规举报
(c)2015-2025 上海同豹工业科技集团有限公司 All Rights Reserved |
沪ICP备2023018741号-1