支持自动或手动调节增益、曝光时间、白平衡、Gamma、LUT 校正等
支持自定义 ROI,支持水平镜像
支持硬触发、软触发以及自由运行模式
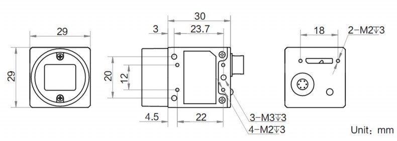
结构紧凑,外形尺寸 29 mm×29 mm×30 mm,适用于较小的安装要求
兼容 USB3 Vision 协议及 GenICam 标准,可与第三方软件平台无缝连接
| 型号 | 型号 | MV-CE060-10UC |
| 名称 | 600 万像素 1/1.8" CMOS USB3.0 工业面阵相机 | |
| 通用 | 传感器类型 | CMOS,卷帘快门 |
| 传感器型号 | IMX178 | |
| 像元尺寸 | 2.4 µm×2.4 µm | |
| 靶面尺寸 | 1/1.8" | |
| 分辨率 | 3072×2048 | |
| 最大帧率 | 42.7 fps | |
| 动态范围 | 71.3 dB | |
| 信噪比 | 41.3 dB | |
| 增益 | 0 dB ~20 dB | |
| 曝光时间 | 24 μs ~ 1 sec | |
| 快门模式 | 支持自动曝光、手动曝光、一键曝光以及 Global Reset | |
| 黑白/彩色 | 彩色 | |
| 像素格式 | Mono 8/10/12 | |
| Bayer RG 8/10/10p/12/12p | ||
| YUV422Packed,YUV422_YUYV_Packed | ||
| RGB 8,BGR 8 | ||
| Binning | 支持 1×1,2×2 | |
| 下采样 | 不支持 | |
| 镜像 | 支持水平镜像 | |
| 缓存容量 | 128 MB | |
| 电气特性 | 数据接口 | USB3.0 |
| 数字I/O | 6-pin Hirose 接头提供供电和 I/O:1 路光耦隔离输入(Line0),1 路光耦隔离输出(Line1),1 路双向可配置非隔离I/O(Line2) | |
| 供电 | 12 VDC,支持USB3.0 口供电 | |
| 典型功耗 | 2.7 W@5 VDC(USB 供电) | |
| 结构 | 镜头接口 | C-Mount |
| 外形尺寸 | 29 mm×29 mm×30 mm | |
| 重量 | 约 56 g | |
| IP防护等级 | IP30(正确安装镜头以及线缆的情况下) | |
| 温度 | 工作温度 0 ~ 50℃,储藏温度-30 ~ 70℃ | |
| 湿度 | 20% ~ 80%RH 无冷凝 | |
| 一般规范 | 软件 | MVS 或者兼容USB3 Vision 协议的第三方软件 |
| 操作系统 | Windows XP/7/10 32/64bits,Linux 32/64bits 以及MacOS 64bits | |
| 协议/标准 | USB3 Vision,GenlCam | |
| 认证 | CE,FCC,RoHS,KC |





