| 螺纹类型 | 公制螺纹 |
| 螺纹尺寸(公称) | M4 |
| 螺距(P)、牙数(mm) | 0.7 |
| 吃入部牙数(Lcf) | 2.5P |
| 丝锥材质 | [高钒高速钢] 含钒高速钢 |
| 工件材料 | 低碳钢(C含量少于0.25%)[○] / 中碳钢(C含量0.25~0.45%)[○] / 高碳钢(C含量超过0.45%)[○] / 合金钢(SCM)[○] / 不锈钢(SUS)[○] / 工具钢(SKD淬火前)[○] / 铸钢(SC)[○] / 球墨铸铁(FCD)[○] / 铜(Cu)[○] / 黄铜(Bs)[○] / 黄铜铸铁(BsC)[○] / 青铜(PB)[○] / 铝合金铸物(AC、ADC)[○] / 镁合金铸件(MC)[○] / 锌合金压铸(ZDC)[○] / 热塑性塑料(氯乙烯,尼龙等)[○] |
| 丝锥种类 | 螺旋槽丝锥 |
| 孔类型 | 盲孔用 |
| 有无涂层 | 有 |
| 涂层种类 | TiN |
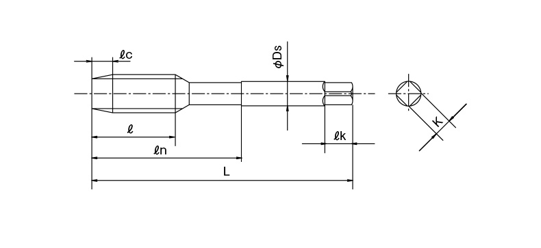
| 全长(L)(mm) | 82 |
| 螺纹长(mm) | 12 |
| 柄径(mm) | 8.5 |
| 槽数 | 3 |
| 螺旋角(度) | 45 |
| 颈长(mm) | 52 |






