手机版
二维码
购物车
全部商品分类
首页
商城
公司
资讯
品牌
IP属地 ???
首页
>
检测/实验
>
通用电气测量仪表
>
通用测试附件
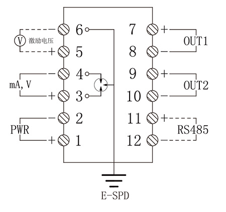
帕罗肯 变送器,PR-112-8-G-H,IN 0-1mA OUT1(7,8)4-20mA,OUT2(9,10)0-1mA
价格
¥
909.00
对比
发货
默认地区
付款后24小时内
销量
29+
评价
已有
0
条评价
人气
已有
84
人关注
数量
+
-
库存
912
台 起订1台
联系方式
加关注
0
上海同豹工业科技集团有限公司
管理员
第1年
资料
通过认证
保证金
未缴纳
默认地区
上次登录 09-26 15:23
•
同豹管理员 (先生)
进入主页
更多商品
商品详情
评价详情(0)
●DC24V供电或AC110—265V供电
●端子可带电插拔
●输入/输出/电源/通道间全隔离
●DIN导轨安装
点赞
0
举报
收藏
0
分享
0
正在载入评价详细...
网站首页
|
关于我们
|
联系方式
|
用户协议
|
隐私政策
|
版权声明
|
网站地图
|
网站留言
|
违规举报
(c)2015-2025 上海同豹工业科技集团有限公司 All Rights Reserved |
沪ICP备2023018741号-1