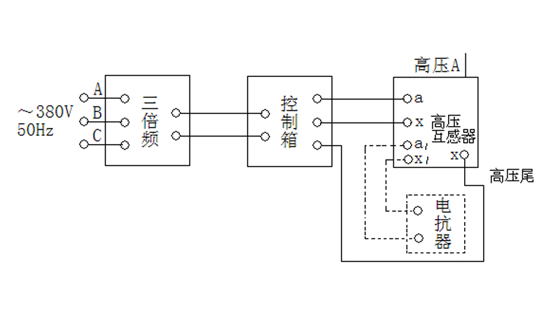
本产品根据中国标准《GB311-61》和原水电部1985年1月发布的《电气设备预防性试验规程》,为满足电力系统对高压互感器倍频感应耐压试验设备的要求而设计的,广泛用于电力系统35-220kV等级串激式电压互感器的交流耐压试验,以考核互感器的主、从绝缘强度,同时也可对电机及小型变压器的绕组进行感应试验;也可作为短时运行的150Hz电源用。
采用三芯五柱结构,将铁芯工作磁通密度选择在饱和磁密以上,使开口接成三角形的次级绕组中的基波电势(正序向量)的向量和为0,而开口两端应出同相的150Hz三次谐波(零序)。
输入电压:三相380V/50Hz 正弦波
输出电压: 0-500V/0-600V 150Hz 波形失真≤5%
输出容量:可定制
空载运行时间:≤5分钟
负载运行时间:40~60S
型号/技术参数 | 输出电压 (V) | 输出频率 (Hz) | 输出功率 (KVA) | 负载运行时间 (min) |
TVT 2/0.5 | 0-500 | 150 | 2 | 1 |
TVT 5/0.5 | 0-500 | 150 | 5 | 1 |
TVT 7/0.5 | 0-500 | 150 | 7 | 1 |
TVT 10/0.5 | 0-500 | 150 | 10 | 1 |
TVT 15/0.5 | 0-500 | 150 | 15 | 1 |






