东岳 超声波试块,CSK-IIA 2# (含支架,材质:碳钢)

价格 2499.00对比
发货 默认地区付款后24小时内
销量 91+
评价 已有 0 条评价
人气 已有 453 人关注
数量
+-
库存8708块   起订1块
 
联系方式
加关注0

上海同豹工业科技集团有限公司

管理员第1年
资料通过认证
保证金未缴纳
  • 默认地区
  • 上次登录 09-26 15:23
  • 同豹管理员 (先生)  

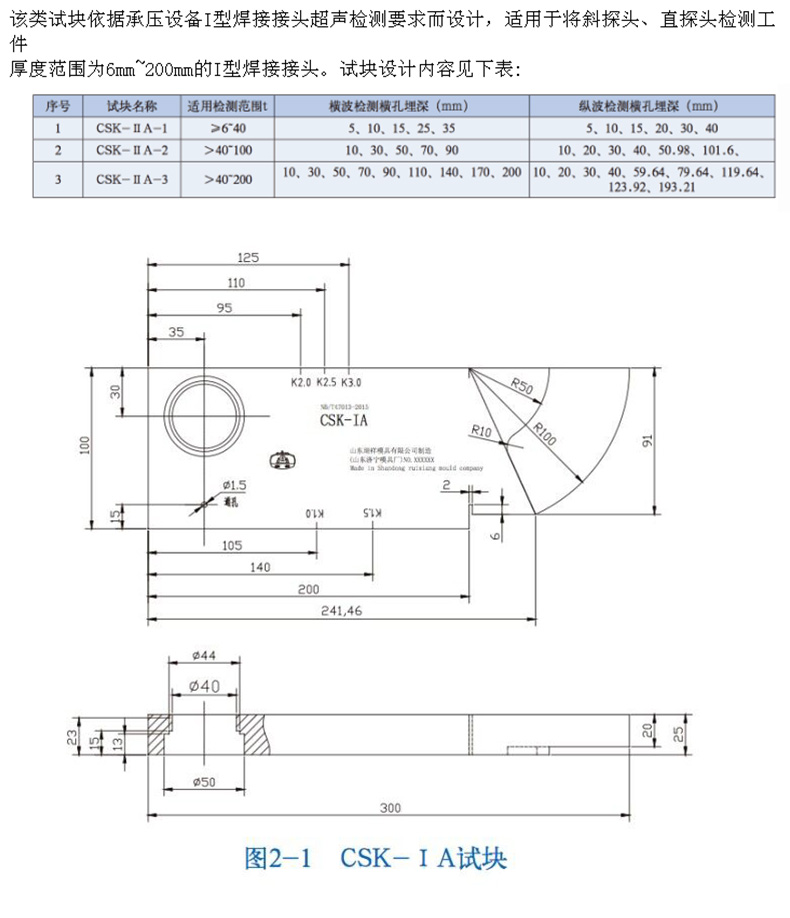
CSK-IA试块是由IIW试块的基础上改进而来的 主要用途有:1利用R100mm曲面测定斜探头的 入射点和前沿长度;2利用50和1.5mm圆孔测定 斜探头的折射角;3利用试块直角棱边测定斜探头 声束轴线的偏离情况;4利用25mm厚度测定探伤 仪水平线性、垂直线性和动态范围;5利用25mm 厚度调整纵波探测范围和扫描速度;6利用R50和 R100mm曲面调节横波探测范围和扫描速度;7利 用50、44和40mm 三个台阶孔测定斜探头分辨力。

参数.jpg

举报收藏 0