瑞祥 钢轨焊缝试块,GHT-1a、b

价格 13349.00对比
发货 默认地区付款后24小时内
销量 21+
评价 已有 0 条评价
人气 已有 361 人关注
数量
+-
库存7631块   起订1块
 
联系方式
加关注0

上海同豹工业科技集团有限公司

管理员第1年
资料通过认证
保证金未缴纳
  • 默认地区
  • 上次登录 09-26 15:23
  • 同豹管理员 (先生)  

(1)、标准试块应由有资质的专业生产厂制造,并经测试合格方可使用,主要用于室内检测系统灵敏度。标准试块有CS-1-5#试块和CSK-1A试块。

(2)、对比试块 对比试块用60kg/m新轨制作。

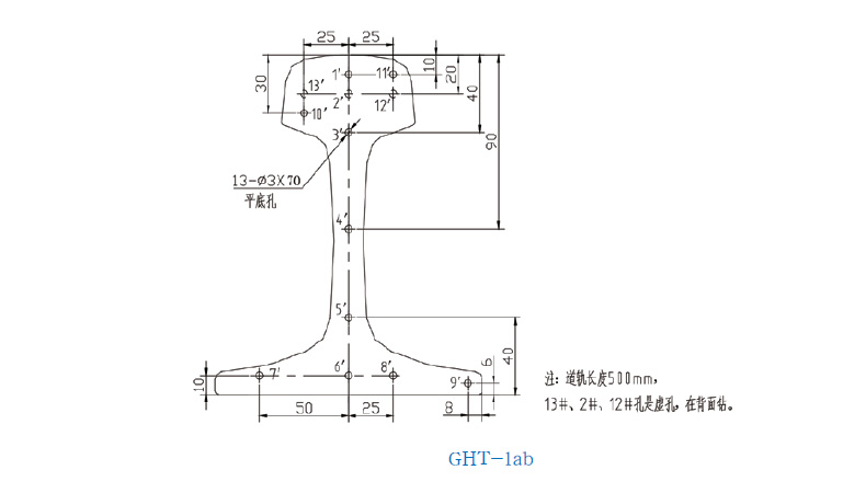
①、GHT-1ab双探头试块 试块的人工缺陷加工在试块的两端,见图1-16。

②、GHT-5单探头试块 试块分A、B和C三个区域分别等同于TB/T1632.1标准中的GHT-2、GHT-3、GHT-4、GHT-5


举报收藏 0