(1)、标准试块应由有资质的专业生产厂制造,并经测试合格方可使用,主要用于室内检测系统灵敏度。标准试块有CS-1-5#试块和CSK-1A试块。
(2)、对比试块 对比试块用60kg/m新轨制作。
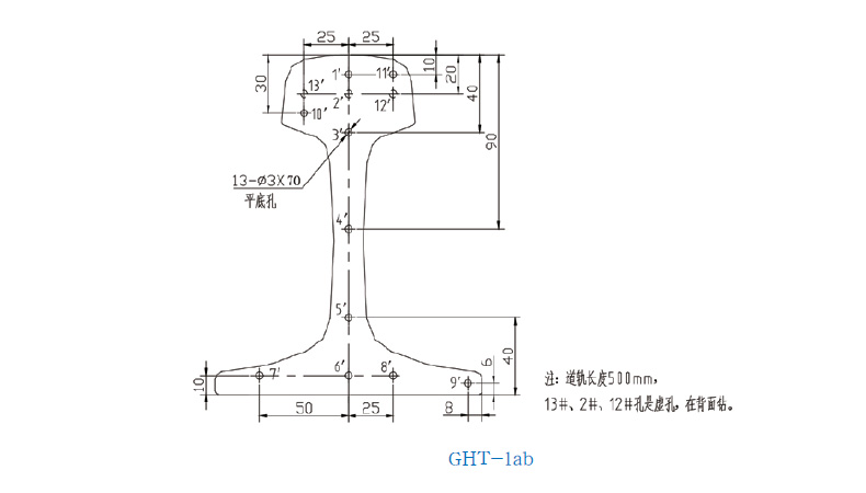
①、GHT-1ab双探头试块 试块的人工缺陷加工在试块的两端,见图1-16。
②、GHT-5单探头试块 试块分A、B和C三个区域分别等同于TB/T1632.1标准中的GHT-2、GHT-3、GHT-4、GHT-5


|
(1)、标准试块应由有资质的专业生产厂制造,并经测试合格方可使用,主要用于室内检测系统灵敏度。标准试块有CS-1-5#试块和CSK-1A试块。
(2)、对比试块 对比试块用60kg/m新轨制作。
①、GHT-1ab双探头试块 试块的人工缺陷加工在试块的两端,见图1-16。
②、GHT-5单探头试块 试块分A、B和C三个区域分别等同于TB/T1632.1标准中的GHT-2、GHT-3、GHT-4、GHT-5

