上仪 禁油压力表,YO-60 0-40MPa M14*1.5 径向不带边 碳钢+铜

价格 64.39对比
发货 默认地区付款后24小时内
销量 76+
评价 已有 0 条评价
人气 已有 267 人关注
数量
+-
库存788个   起订1个
 
联系方式
加关注0

上海同豹工业科技集团有限公司

管理员第1年
资料通过认证
保证金未缴纳
  • 默认地区
  • 上次登录 09-26 15:23
  • 同豹管理员 (先生)  

不锈钢压力表的整体结构设计合理、工艺精致,具有较高的测量精度和持久的稳定性,因此不仅可提供出口,尤为国内用户对引进国外先进技术装备中的同类仪表实现国产化的理想配套产品。

结构原理:

仪表由导压系统(包括接头、弹簧管、限流螺钉等)、齿轮传动机构、示数装置(指针与表盘)和外壳(包括表壳、表盖、表玻璃等)所组成。外壳为气密性结构,能有效的保护内部机件免受环境影响和污秽侵入。对于在外壳内充液(一般为硅油或甘油)的仪表,能够抗工作环境振动较剧烈和减少介质压力的脉动影响。


禁油压力表在生产零部件到组装校验中不能接触任何油脂类产品,表盘做专用标识。氧气、氢气等压力表均需要禁油处理,压力表在存放中要严格避免接触油污。

型号

标度范围MPa(Hg~PSi)

精确度等级

YO-60B-F

YN-60B-F

YO-63B-F

YN-63B-F

0~0.6、1、1.6、2.5、4、6、

10、16、25、40、60 、100

-0.1~0.5、0.9、1.5、2.4

2.5

YO-100B-F

YN-100B-F

YO-150B-F

YN-150B-F

YO-103B-F

YN-103B-F

YO-153B-F

YN-153B-F

0~0.1、0.16、0.25、0.4、0.6、1、1.6

2.5、4、6、10、16、25、40、60、100

-0.1~0、0.06、0.15、0.3

0.5、0.9、1.5、2.4

(-30"~0、15、30、60、100、150;

0~15、30、60、100、200、300、400

600、800、1000、1500、2000、

3000、4000、6000、10000 )

1.5
(1.0)

使用环境温度

-25-70℃(外壳内充液)

-40-70℃(外壳内不充液)

温度影响

不大于0.4%/10℃(使用温度偏离20±5℃)

抗工作环境振动

V.H.4级(外壳内充液)

V.H.3级(外壳内不充液)

外壳防护等级

IP65

重量

0.2kg(Y-60B-F)

0.6kg(Y-100B-F)

1.0kg(Y-150B-F)

1500616918753091.jpg

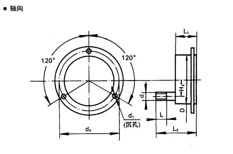
D

d0

d1

H1

H2

L

L1

L2

接头螺纹d

60

75

4.5

≤60

/

14

36

66

M14*1.5;

Z1/4″(NPT)

100

116

4.8

≤100

≤35

20

50

98

M20*1.5;

Z1/2″;

Z1/4″(NPT)

150

165

5.8

≤125

≤60

订货需知

 型号构成 

型号/表盘直径/压力范围/接头螺纹


 举例说明 

型号:Y-100BFZ/0~60MPa/M20*1.5/1.6级

文字描述:耐震不锈钢压力表,表盘直径100mm,径向不带边型,测量范围0~60MPa,螺纹标准为M20×1.5,精度等级为1.6级。


 注意 

1. 型号中所涉及的不锈钢,均为304不锈钢材质,如需要316不锈钢,请联系西域询价。

2. 表盘直径为60mm,精度默认为2.5级,螺纹接口默认为M14×1.5;表盘直径为100mm或150mm,精度默认为1.6级,螺纹接口默认为M20×1.5,如需要其他精度或者螺纹接口形式的仪表,请联系西域询价。


仪表图片仅供参考,如有出入,请以文字描述为主,产品均按照型号描述供货,请务必在订货前确认清楚技术信息。

产品应用.jpg

举报收藏 0