这些温度变送器广泛用于设备、机械制造,以及过程工业中,具有高精度和卓越的抗电磁干扰(EMI)性能。通过温度变送器可轻松、快捷地配置参数,且可通过-一个简洁的预览界面查看配置好的参数。
不仅能选择不同类型传感器和测量范围,还能存储故障信号、阻尼、多测量点描述和过程调控。
此外,还提供了一种线性记录功能,可显示连接至S10温度变送器的传感器的温度曲线图。
S10型温度变送器具有传感器线阻监测、符合NAMUR NE89标准的传感器故障检测,以及测量范围监测等诸多监控功能。
此外,这些温度变送器还能定期执行全面自检。
用于连接2线制、3线制或4线制传感器
用于连接电位计电路中的磁簧开关连锁装置
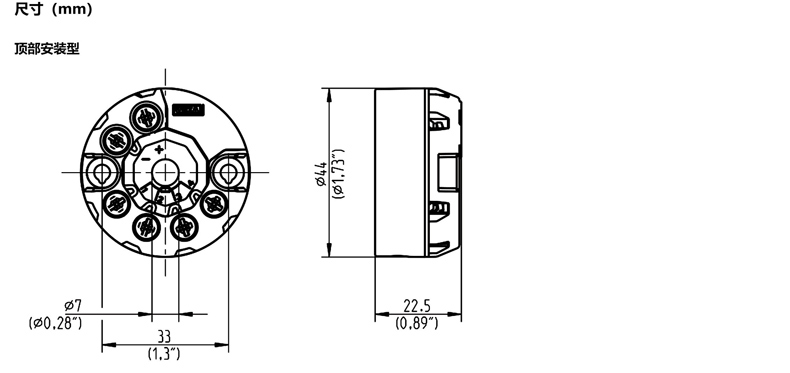
连接终端可直接从外部访问
精度:<0.2K ( < 0.36°F) /0.1%






过程工业
机械、设备制造




