ST系列现场显示器是4~20mA电流回路显示器,它能够在变送器与控制室之间提供一一个叠加的HARTP通讯。因此显示范围和单位是根据所连接的HART变送器的设置自动选取的。
常用的压力温度单位在出厂前就已经储存。附件的"用户单位”可根据需要编写。
现场显示器可以显示范围报警以及MIN最小和MAX最大值。变送器的故障电流信号也可以探测和显示。显示器可以连接任何4~20mA变送器。
显示器直接由4~ 20mA回路供电,因此产生的压降不超过3V。
显示器可直接安装在面壁上。同样可选直径在1 ~ 2管的安装支架。
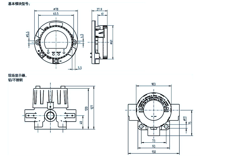
ST20基本模块也可以分开安装到别的壳体内。
显示器由内置的显示模块,铸铝或不锈钢壳体组成。
HART@主机与变送器间通过HART国协议自动配置测量范围
范围从999...99999/MPa条形图
显示测量单位和多种状态信息
防爆形式
-型号ST20:本安型
-型号ST20:隔爆外壳
HARTB:辅机功能和多点通讯能力




过程工业
设备建造
一般工业应用
石油天然气行业




